直交ロボットMCR100 - 最大6軸制御 直交3軸ロボット
| 製品名 |
直交ロボットMCR100 |
| 製品概要 |
最大6軸制御 直交3軸ロボット |
| 製品内容 |
・直交3軸ロボット本体
・100Wサーボモーター×2
・100Wブレーキ付きサーボモーター×1
・モディアシステムズ製最大6軸数値制御装置
・操作盤ユニット |
| 標準価格 |
オープン価格 |
| 製品資料 |
|
機構部
| 直交軸機構 |
X軸:精密ボールねじ、精密リニアガイド、100Wサーボモーター |
| Y軸:精密ボールねじ、精密リニアガイド、100Wサーボモーター |
| Z軸:精密ボールねじ、精密リニアガイド、100Wブレーキ付きサーボモーター |
| 最大動作範囲 |
X軸:200mm |
| Y軸:120mm |
| Z軸:110mm |
| モーター |
三菱電機製ACサーボモーター |
| モーターケーブル |
7m(各軸サーボモーターと制御盤内サーボアンプを接続) |
| 重量 |
40kg |
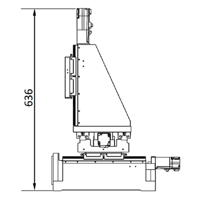
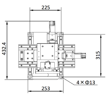
| 寸法 |
W477.4×D432.4×H636(mm) |
制御部
| 制御装置 |
モディアシステムズ製CNC |
| 制御方式 |
セミクローズドループフィードバック方式ACサーボ制御システム |
| 最大同時制御軸数 |
6軸 |
| 制御プログラムコード |
Gコード / Mコード |
| データ入力方式 |
LAN(IPアドレス指定によるFTP転送方式) |
| データ容量 |
1GB |
| 入力信号 |
外部アラーム、スキップ信号G31、インターロック×2点、サイクルスタート、サイクル一時停止、ブロック停止、リセット、ツールアンクランプ、固定ファイル名プログラムスタート、外部入力×16点 |
| 出力信号 |
サーボON、サイクル運転中、アラーム、リセット、原点復帰完了、ファイル転送完了、M03(主軸ON)、M08(クーラントON)、M30(プログラム終了)、M10(ツールアンクランプ)、オプションMコード5点(M21/M23/M25/M27/M29) |
| 制御盤キャビネットサイズ |
W700×H700×D300(mm) |
操作部
| 表示 |
20文字×4桁液晶パネル |
| スイッチ |
サイクルスタート、サイクル一時停止、非常停止、手動パルスハンドル |
| 操作盤サイズ |
W130×H350×D70(mm) |
その他
| 電源 |
AC100V 10A |
| 使用環境 |
温度:5~35℃(保管時:-10~50℃) |
| 湿度:20~80%(結露無し) |
| 強い振動、ガス等が無いこと |
| オプション |
PLC、付加3軸サーボユニット、切削加工用主軸(350W3万回転/6万回転)、回転軸ユニット、傾斜軸ユニット、自動工具交換機能、表示灯、架台設計製作、ワークステージ設計製作 |
※本項に記載されている用語及び製品名は各社の商標又は登録商標です。※製品改造のため外観及び仕様の一部を予告無く変更することがあります。